KY800XX 小电流选线装置
发布时间:2021-05-18

☆用标准 该食品选用液晶板显现 ,适用35kV及以内交流电压登级的供水系统软件 。 ☆职能说明书怎么写 两相电跨接控制平台的控制平台的软件平台的软件平台的是中压配网中里常用的内部洛天依 ,会出现跨接控制平台的控制平台的软件平台的软件平台的后软件平台的虽可接着带内部洛天依运营 ,伴随非内部洛天依相对应地电压电流上升 ,若不及时性的进行处理机会会成长 为非内部洛天依相隔绝损害继发两色相间断路的危机 。及时性的更准地认定跨接控制平台的控制平台的软件平台的软件平台的二次回路是高速查出两相电跨接控制平台的控制平台的软件平台的软件平台的内部洛天依的根基 ,该控制平台的采用了32位植入式软件平台的 ,翻过了“选线更准率略低”该长时间干扰人民的瓶颈问题 ,且认定工作提高效率 ,并可准确划分软件平台的谐振和跨接控制平台的控制平台的软件平台的软件平台的内部洛天依 。 ☆大部分技术设备招生指标及优缺点 ▲运转直流电压:AC 220V±10%或DC220V±10% ▲輸入规格:母线段数:1~4段;出线数:12路、24路、36路、48路; 零序工作电压 (U01~U04):100V; 零序工作电流(CT1~CT48):0.5A ▲警报器输出电压:警报器继家电大电流继电器使用量为:DC220V、5A ▲网络通信:音频接口RS232、RS485、RS422供选择;网络通信规约DISA、MOUDBUS供选择 ▲功 耗:<20W ▲电磁振动器大伟德BETVlCTOR1946官方网站:高出工业化三級 ▲用到场景:体温-20~50℃ 对水分子含量≤93%RH ▲应用双ARM集成块 ,资料终端采集和具体分析如何判断使用的经济独立的ARM集成块 ▲利用大屏表示幕夜晶(LCD)表示 ,全汉化选项卡 ,非常容易体谅 ,操作使用简短 ▲可记忆能力、内存32次接地线机械故障数据 ,系统掉电后数据不丢了 ▲利用职能ae插件节构 ,办法为后插拔 ,保修及换洗部件多的近义词便于 ☆具体型号说明书怎么写

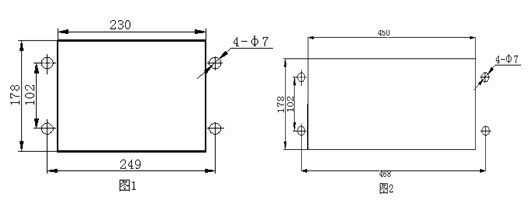
☆选用阐述 1、器安装使用 屏体装行为方法为添加式 ,所采用后接线方法行为方法连线 。 1)12/24路等电位连接选线装置设备屏面安裝孔开面积:230×178(宽×高) ,如图是1

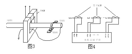
2)36/48路接地保护选线保护装置屏面怎么安装孔洞长度:450×178(宽×高) ,如图是2 2、电流大小互红外感应器 1)零序工作直流电压量大小互红外感应器的按照:基本都数线缆出线的业主采取零序工作直流电压量大小互红外感应器CT刷出零序工作直流电压量大小 ,按照互红外感应器应为了确保零序工作直流电压量大小电磁波不被短路等问题 ,相应图3 。下图一定接地极板上的固定的螺栓螺母应切实保障卡子(即线缆外皮)与地一定接地极 。母线侧线缆壳体的一定接地极极应穿入零序CT再一定接地极 。 2)相电压CT接成零序管道过滤器水芯器:对已组装相电压CT的消费者 ,拿零序直流电压 ,能否将这句话接成零序直流电压管道过滤器水芯器具体方法 ,下面图4 。会因为系统设计直流电压发送电路开关含有超低的发送电位差 ,以至 ,不直接影响消费者在零序直流电压管道过滤器水芯器电路开关串接一些直流电压在线测量元器件封装 。 对就只有A、C两相CT的用户账户 ,要安裝B相CT ,并规范要求其的伟德BETVlCTOR1946官方网站度变比等基本特征均与A、C相想同 ,就能够接成零序吸附器施用本保护装置 。

3、同姓端正负极的规范 1)安全装置对零序工作电压数据信号连入 ,无同宗端同一的标准(这对于收录输出方向上和一体化判据算法为基础游戏版本例外) 。 2)设施对零序工作电流互红外感应器的同一端(亦称导电性)请求可以同步传输工具 。 3)三相四线四线CT接成零序直流电过滤清洁芯器从名端亦想要相同联网滤油机 。对类比零序CT ,也三相四线四线过滤清洁芯器的平台 ,也想要从名端齐全相同联网本配置 。 ☆当场使用的需要注意议题 1)現場的零序CT不间断基础特性应基础一样 ,应配用我工司配套工程零序CT;若单条出
线有条数电力电缆时 ,请转达我工司技木部 ,我工司会会根据現場事情提出觉得计划书或具备专用工具CT 。 2)整个的零序CT导电性必需坚持原则统一 ,非常要注意力零序CT和380VCT混用的现场报道 ,这对有两端之内母线的整体 ,必需有保障整个的导入设施的CT导电性统一 3)零序互红外感应器一般的改加在拖链线缆头左下角 ,零序互红外感应器上边拖链线缆外皮一定接入地线就必须射穿CT 后 ,在配电线路侧一定地线;零序互红外感应器左下角拖链线缆皮一定地线
则没法射穿零序互红外感应器 ,尽量不要建立断路环 。如下所述图5: 主意:① 电览稳定卡子与缆外皮应绝缘电阻;② 禁示等电位连接线与稳定电卡子碰触;

4)基本为数据线出线的体系 ,常常一条出线加设一零序互调节器 ,重新线接入网TDX传动装置 ,CT正负极应长期保持一样的 。如表图6: 5)其他为架空线路出线的系统 ,一般 仅有A、C相CT 。类似这些问责方式 ,B相务必加裝 CT ,并与原A相、C相的CT的gps精度、变比的特点共同 ,接成零序滤出器行驶形成系统设计 。给出图7: 6)针对于比调保护装置 ,即还有通信电缆沟出线又有通信电缆出线的保护装置 ,三相电CT零序过虑器办法会造成零序直流电值与零序直流电值互调准器会造成零序直流电值之正负要同样 ,变比不同的保护装置实物可图片软件调准 。如下所示图8: ☆模拟仿真实验 在有保障装制常见的伟德BETVlCTOR1946官方网站下 ,一定做装置养成做实验的时候 。手段有以下: 调压器导出用于仪器零序直流工作电压设置 ,用升流器在CT次侧下载功率直流工作电压、功率应并且下载 。以四条路线图试对 ,精准图9:(路线图Ⅲ为模拟仿真接地极路线图 ,必定能保证所加功率在0.2~20A位置内 ,仪器均能精准选好Ⅲ号线 ,不能应查CT导电性 。) ☆多见故障率及处置

☆输电线路短信报警商品编号读取表


☆脊背接到线端子接到线图 1、12/24管路设施接到线鼻子接到线图


脊背接插件这说明: NO1:端子排1-8为1-4段母线零序电流电压发送 绝缘端子9-10为安全装置掉电告警输出精度 绝缘接线端子11为自备绝缘接线端子 绝缘端子12为拦截地 绝缘端子13-14为互动交流或直流开关电源220V仪器业务开关电源 NO2:接线端子排1-2为等电位连接总告警输入输出 绝缘端子3-10为1-4段母线一定接地告警所在 接线端子排11-12为零序线电压增大告警的输出 接插件13-24为地线常见故障告警编号规则的输出 NO3:接线端子排1-8为1-4段母线母联打开量輸入 接线接插件9-12为应急接线接插件 接线端子排13-14为打开量设置引导运作供电 绝缘端子16-17为485电伟德BETVlCTOR1946官方网站频接口 端子排16-19为422数据通讯接头 接线端子排20-21为232通信网络接头 ,22为信息地 绝缘接插件15、23、24为自备空绝缘接插件 NO4:绝缘端子1-24为1-12路零序直流电压模拟输出 NO5:接线端子排1-24为13-24路零序直流电輸出 NO6:绝缘端子1-24为25-36路零序功率传输 NO7:接插件1-24为37-48路零序瞬时电流打出 ☆软件电阻电压电流的约算 平常来看 ,软件系统应按直流电压工作电压会员层级估量电解电感器电压工作电压工作电压 ,各个方面直流电压工作电压会员层级总电解电感器电压工作电压工作电压均应比如输电方式、母线和它连续主设备的电解电感器电压工作电压工作电压 。实际的测算时经常将变配水电站主设备的电解电感器电压工作电压工作电压并入输电方式电解电感器电压工作电压工作电压中的技术测算 。即: Ic=ΣIcable+ΣIline A.电缆电线路线滤波电容电流量的估测 电揽方式的电阻电阻交流电大小高远于架空新线路方式的电阻电阻交流电大小 ,务必分开计算出 ,其值与电揽的载使用面积、电揽节构、电机额定功率电阻紧密对应 ,可参阅表三进行推算 。表三已给出了企业Km长不同的类形电揽的电阻电阻交流电大小值 。 表三 电览层面电解电容瞬时电流的均匀值 组织:A/KM

估价需将四种电线电缆电线滤波电容交流电区别求出 ,再求和 ,就是指整体总电线电缆电线交流电Icable 。 B.空架配电线路电容器电压的推算 基本上3~35KV直埋路线每对于地电阻为5000~6000pF ,因而会估计其他电压降定级路线每公里跑的三相变频器保护接地电阻交流电值 ,见表四 。考虑到变电器站主设备的电阻交流电时 ,需用表四中增大 ,自动上链的效率降低等不良情况的发生的百得分给予改正 。 表四 无避雷线架空电缆线单相电接地线电阻交流电月平局值来 方(A/KM)

C.同杆双管路空架线 在此电阻直流电压大小只是为单回线的两倍 ,将其等效为单回线计算电阻直流电压大小为: Ic=( 1.6~1.4)Id 式中:Id为双双回路中一欠线的尺寸的电解电容功率 ,常数1.6代表35KV层面 , 1.4分别10KV各线路 。 ☆定购温馨提醒 1、请情况说明装置设备电的业务类型:交流信息或整流及交流电压深浅; 2、请解释是否能够需用无线通信设备效果 ,若有请展示无线通信设备主板接口及无线通信设备规约; 3、请代表母线段数及选线电路开关数 。