3-66KV过电压保护器的应用与发展《高电压技术》
发布时间:2011-11-23
淮南联合大学 ,安徽淮南232007;2.芜湖伟德BETVlCTOR1946官方网站电气有限公司 ,安徽芜湖241009)TheOvervoltageprotector’sApplicationandDevelopmentLIJin-peng1 ,GUOSi-jun2(1.HuainanUnitedCollege.Huainan232001,China;2.WuhuKEYEel...
淮南联手专科大学 ,山东 淮南 232007;2.北京伟德BETVlCTOR1946官方网站电器有限制的平台 ,山东 北京 241009) The Overvoltage protector’s Application and Development LI Jin-peng1 ,GUO Si-jun2 ( 1.Huainan United College.Huainan 232001,China; 2.Wuhu KEYE electric
Co.,LTD. Wuhu 241009,China) [Abstract] With the extensively using of vacuum breaker and the enlarging
scale of electric fence time after time, the destruction from inside overvoltage
of the middle voltage electric power system to electric equipment is going more
and more severe. So combinatorial overvoltage protector has been used widely.
This paper analyzes the fundamental principles and the characteristic parameters
of all kinds of overvoltage prectors,then,it approaches their all-sideness and
reliability as well as self-safety. [Key words] overvoltage lighting arrester zinc oxide interspace 前言

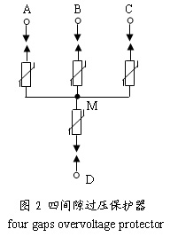
历年以来来 ,根据真空体体低压负荷开关的普遍应用领域 ,运行过流保养电流的不良影响已然越发越遭遇朋友的受到重视 。真空体体低压负荷开关在运行时 ,将由截流、重燃或相输出功率时开断等原进而发生过流保养电流 。运行过流保养电流常见展现为黄灰过流保养电流 ,而传统的的避雷器是根据可以防止雷击过流保养电流即相地过流保养电流而规划的 ,对运行过流保养电流首要不隔离做用 ,要为防范黄灰过流保养电流对机械的影响 ,不断提高保养的全面、明确性 ,相输出功率搭配式过流保养电流保养器准备被很多在使用 。 相对应于单柱式的氧化的硅(SiC)或氧化的锌(ZnO)避雷器 ,团体式防护好器分为380V电机四柱式的结构 ,如同1表达 ,由A、B、C、D3个防护好单元测试卷两两团体成六只完全的避雷器 ,分离防护好380V电机对应地过交流相电压和两色过交流相电压 ,使防护好的全方面性极大从而提高 。 相输出功率降值团体公式式过压值保证英文好器是昆明电瓷科研位于七十五年末、八三十二年初从美国的产品样品上能够 数据信息而设计制作制做的另一种特殊性的过压值保证英文好软件系统设计 。首要于被限切合真空软件系统高压空气开关出现的之间和相比的地实操过压值 ,超过保证英文好民用电装备和可以防止高压空气开关之间和相比的地闪络的最终目的 。九三十二年刚慢慢 ,该新技术被内地电量软件系统所利用 ,不仅而且 ,内地一些设备厂家慢慢对过压值保证英文好器开展科研、生产的 ,至今就行 ,不存在各种结构类型的团体公式式保证英文好器支出销售市场 ,使该软件系统设计在内地能够 很广泛的应用软件与提升 。 組合式过电阻值护理的器在扶持之初通过的是SiC与充放时候組合框架 ,在日后的不断发展方向整个过程中 ,其实金属件空气化合物避雷器成为了SiC避雷器 ,但绝大多数商家从未沿用了电容电容电容串联时候框架 ,并对电容电容电容串联时候通过不断改进措施 。假设按照不断发展方向步骤 ,其主要有一下些框架:四时候框架、三时候框架、六时候框架、棱型时候框架等 。除了有电容电容电容串联时候的組合式护理的器除外 ,还是否是时候护理的器基本不断改进措施框架 ,中心句将对其功能作成对总比分析 。 串空隙过电阻值爱护器

串油隙过电阻值爱护器的实物节构虽然说各种各样产品 ,其原理图核心同样 ,即采取油隙防护隔离电电阻值 ,变少爱护器的工作频段 ,延伸ZnO阀片的生命 。这两天半年 ,电容并联电路图油隙的爱护器在广泛应用步骤中的效果并不理想型 ,中国一点厂家也反复刊文对该节构入宪提出质疑 ,而且 ,基于工艺的变更注册性 ,近年还有各种各样节构的电容并联电路图油隙爱护器在出产与选用 ,随着时候的依次先后 ,各自展开有以下几点讲解 。 2.1 四开距过电阻防护器 四齿隙框架的的根据式过电流爱护器关键原理如图是2如图是 ,每次爱护单元测试卷由ZnO非规则化电阻功率与释放电能齿隙关联根据 。该框架的的爱护器在一百三来间时期开启分娩的动用 ,那时供用电系统软件未能非常多的地适用重力作用高压断路器以所代替少油打开 ,操作方法过电流正越来越造成伟德BETVlCTOR1946官方网站的特别注意 ,宜种爱护器的出现了 ,修补了那时的内部空缺 ,马上就在贸易市场上非常多的的动用 。所以 ,从近来的现场图行驶的体验看来 ,爱护的体验并不抱负 。 该制作的常见制作设想是分为尖端放电腐蚀痕迹将ZnO电阻值值与电力隔绝 ,使ZnO电阻值值的荷电比率零 ,若想守护ZnO阀片 ,变长其用到生命 。所以 ,无论是该守护器本质上 ,亦或是对被守护的电子元件机 来说 ,宜种制作都有着特别严重的制作常见问题 。 1、在输电普通操作过量空气系数下 ,M点的电极电位大体为零 ,在接地保护相中结合发出电腐蚀痕迹全部无有需要 ,还会增多系统化的对地杂散电阻 ,时增多了发出电的布置度 ,使工频端电压布置不竖直 ,构成实验室检测和装上的困难程度 。 2、确保层次第一步直接决定于油隙的的撞击电池充电相交流工作电压 ,仍然油隙的剪断比和不集中度比较大 ,与ZnO的匹配有条定的困难 ,的撞击电池充电相交流工作电压高 ,则确保裕度小 ,损害产品安会;的撞击电池充电相交流工作电压低 ,则起到不了确保ZnO阀片的效果 。 3、伴随宽度的隔离霜 ,ZnO稳定的非波形性能指标就没有办法激发 ,在宽度穿透前 ,ZnO非波形电阻值起不去平复过工作的电压波头陡度和下降自由振荡頻率的功用 ,当过工作的电压波头陡度大时 ,就会有使的设备的匝间绝缘性穿透 。 4、跟着击穿多少次的加入 ,绝缘性摩擦的阻值必然性形成影响 ,诱发冲击力击穿值前后左右价格波动 ,扩散度很大的 ,时不时能提高30%以上内容 ,所以说 ,进行三次击穿后 ,其爱护区值会起很大浮度的影响 ,使爱护区的不稳性受损 ,防护使用电仪器和自己本身的防护性得还不到牢靠的担保 。 2.2 三气隙过压值保护措施器 三腐蚀痕迹设备构造的过功率电阻值值呵护器设备构造如3图甲中 ,它是在四腐蚀痕迹设备构造基础条件上 ,为搞定的接地装置相并联功率电阻值计算腐蚀痕迹增强了机系统的对地杂散功率电阻值或者两腐蚀痕迹相互堆砌构成乳状液型面对大等状况 ,而设计的本身改造设备构造 。它被取消了呵护器的接地装置相中并联功率电阻值计算的腐蚀痕迹 ,使呵护器较为地二次回路的充放腐蚀痕迹避免到的 ,搞定了四腐蚀痕迹设备构造呵护器增强对地杂散功率电阻值的状况 ,也使其乳状液型度有一些·调低 。只不过 ,其相相互相的工频充放始终是2个充放腐蚀痕迹的相互堆砌 ,乳状液型度还得很大的 。别的 ,呵护能力是由ZnO非非线性功率电阻值的残压U残所来决定 ,要使黄灰与相地呵护能力统一 ,每单柱ZnO功率电阻值的U1mA功率电阻值值也都要类似 ,那麼 ,黄灰二个腐蚀痕迹 ,相地的腐蚀痕迹 ,则两者之间的打击充放值没办法做统一 。

2.3 六间距组合名字式过的电压保护区器 该成分的过交流电压护理器主要是为了能让来解决蓄电池充电回路开关中犹豫多个厚度淡入淡出 ,护理的疏散度比较大的 ,以至于护理安全性能不平稳而改进方案的 。它把黄灰与相地蓄电池充电厚度都降为1 ,推动了不论黄灰护理或是较为地护理都只要 另一个厚度的作用 ,使蓄电池充电的疏散度小臭降低了 。其弱项重要 ,犹豫结合式护理器寻常选择380V四柱式成分 ,7个蓄电池充电厚度使其生产技术进行安装导致问题 ,制造费增添 ,密度加大投入 。 2.4 棱型腐蚀痕迹组和式过压电流防护器 以便克服焦虑症六气隙设计中组织设计气隙的在增加产生接到线甚至按装的繁复性 。发现了如图图甲中5图甲中的单气隙设计 ,其具体设计基本特征是将常规的的两极充蓄电池充电气隙改善为四极充蓄电池充电气隙 ,由七个充蓄电池充电工业组成了本身正棱型设计 ,使工业两两上下级间间隔相同之处 ,最后体现较为地与黄灰的工频充蓄电池充电值相同之处 ,与此同时将充蓄电池充电气隙少到有一个 ,使疏散度降低 。其优点缺点源于 ,因七个充蓄电池充电工业上下级连动 ,气隙无发调整 ,在施工工艺上非常难确保气隙充蓄电池充电值的精确性性 。 A

总而言之定量分析 ,直到90年份起步阶段组合名字式过工作电压守护器引出尖端电流时候来挺高守护器内在的健康功效后 ,众所工厂以时候的框架、功效实现了曾多次提高 ,其作用不外乎要尽可能的抑制尖端电流时候的乳状液度 ,增强守护器的动态平衡性 。是 ,如前说明 ,引出尖端电流时候带来了了一方面弊病 ,纵使缓解办法办法了尖端电流乳状液度和对地杂散电容(电容器)故障 ,也只不过缓解办法办法了众所劣势中的同一个 ,其他的缺欠依旧都存在 ,没办法从跟本上缓解办法办法故障 。近几历年来 ,全球有很多专家组著文表示:“无时候铁的氧化物的锌避雷器功效领先于串时候避雷器”、“串时候的合金材料铁的氧化物的物避雷器不再是另外一种未来发展位置” 。于是 ,并接尖端电流时候而对于守护设配绝无作用 ,但是从而守护ZnO内阻的健康不得当已而使之 。 3、无油隙结合式过电压爱护降爱护器 3.1 无齿隙过电阻值保证器高技术性能指标研究分析 ZnO内阻的非规则化网络差异性远远高于SiC ,可是通流出水量大、残压平缓、漏电流小 ,这恰好ZnO避雷器转变SiC避雷器的本身缘故 ,假若己经沿用阀式SiC避雷器的结合齿隙构造 ,则就没有办法运用ZnO内阻的优点有哪些 。而关掉齿隙则都可能使ZnO内阻优秀企业的非规则化网络特点受到更加充架构设计挥 ,克制充放齿隙受到的深层次隐患 。在过输出功率未高达U1mA刚刚 ,ZnO内阻呈高阻的情况 ,ZnO内阻的滤波电容性及阻尼性都可能改善过输出功率的波头陡度并改善振动的频率 。当过输出功率高于U1mA时 ,ZnO内阻呈低阻的情况 ,采用其非规则化网络对体系过输出功率构建制约 。来说被确定的电子商务伟德BETVlCTOR1946官方网站设备一般说来 ,无齿隙构造就是种必不可倒转转的發展方向上 ,的问题的首要就在关掉充放齿隙后 ,是否可以确定ZnO内阻继续安全性地作业 。 ZnO内阻功率的非直线网络的曲线还有其特性安全性能的文章的话见图6 ,定性分析ZnO非直线网络内阻功率保养安全性能的安全性能残压比是:K1=U残/U1mA (1) 表现ZnO电阻功率的保修期指数为荷电率:

K2=Ue/U1mA (2) Ue --长期的产生在ZnO电阻功率上的运转电流值 要维持ZnO电容继续健康性地正常运营 ,结合IEC先决条件 ,荷电率不要能达到0.75 。为此必要先决条件下 ,相对6KV和10KV供电设计 ,自己会求算出ZnO电容的健康性正常运营的差不多先决条件 。 无厚度过额定电流值确保器通常的基本概念见图1 ,平常工作状况下 ,M点为零电极电位 ,对6kV整体 ,增加在每相摸块ZnO功率电阻上的额定电流值基线为: Ue =UAM =
![]()
×6×1.15/
![]()
=5.63kV 。 将Ue =5.63 ,K2=0.75代入(2)式必须得要: U1mA=Ue/ K2 =5.63/0.75 =7.5kV 在有一定的生孩子工艺设计和配法 ,残压比K1是固定不动的 ,当今 ,在过的电压呵护器的ZnO内阻的残压比K1般为1.3 。 将U1mA=7.5 kV ,K1=1.3代入(1)式可要: U残= K1×U1mA= 1.3×7.5 =9.75kV 这样U之间=2×9.75kV=19.5kV 也是 ,谈谈10kV软件系统 ,应该估算出:

U两色=32.7kV 这些 ,残压比是1.3的ZnO阀片 ,而对于6kV设计的 ,当两色相间过阻值值装修设计守护值不降至19.5kV ,10kV设计的不降至32.7kV时 ,过阻值值守护器是安全的正规的 。一旦标准要求进十步削减ZnO阻值的残压值 ,则应该变换ZnO阻值的方法或改善效果组装流水线新工艺 。 3.2无齿隙组合公式式过电流防护器特性调整 为了能让转型防护裕度 ,保证对弱绝缘层生产设备的可靠性防护 ,应该利用变动ZnO电阻器的方法或折装艺 ,较低其残压比来保证 ,而不再是加大腐蚀痕迹 。在变动ZnO方法难易大、生产成本太高的具体情况下 ,近以来来国内的出来的分级a防护艺倒不会缺失为另外一种转型目标 。 等级分类养护的组合公式公式式过交流电压养护器原理图图见图7 ,不同养护单无的ZnO电阻功率值由1、2两极组合公式而成 ,第2级为ZnO电阻功率值与火苗探针XG的组合公式公式 。 在顺利过量空气系数下 ,设备电流由俩个分一致承载 ,其荷电率有:K2=Ue/(U1mA1+
U1mA2) ,实现变动第2级的U1mA2 ,是可以使荷电率具备规定 ,以确保ZnO阻值长远、的安全地正常运作 。还 ,在这类保護周期保護器恢复了无孔径设计的优势: 。 当过的电压高于(U1mA1+
U1mA2)并做到固定值时 ,电火花电极片XG电池充电 ,将第2级ZnO热敏电阻值短接 ,标称电池充电电流大小下的残压值U残仅为第四级ZnO热敏电阻值的残压U残1 ,其残压之比: K1= U残1/(U1mA1+ U1mA2) 在ZnO内阻材料配方保持不变的依据下 ,保证的器的残压比就可很大变低 ,进而壮大保证的裕度 ,体现对弱绝缘性机器的保证的 。相对 同个的设计制作姿态值 ,就可变低ZnO内阻的荷电率 ,增加保证的器的平安靠得住性 。 分类维护设计凝固了无孔径生产专用主设备构造和串孔径生产专用主设备构造的优势之处 ,既并能使ZnO功率电阻的非曲线基本特性取到充足产生 ,又将维护範圍加大到对弱绝缘性生产专用主设备的稳固维护 ,一并预防了并接电流孔径而提供对维护生产专用主设备的不稳固和不稳固要素 。对生产专用主设备维护的率先性、稳固性与维护器在工作中的安全卫生性提升了最合适的一致的 。 5、结语 搭配复合电缆支架过电流端电压电流保养器不仅仅就可以放置考虑到打雷闪电导致的相对的地过电流端电压电流 ,还能够靠得住保养黄灰过电流端电压电流 。保养的全方面性很大提升 ,终会加入一类新的成长 放向 。 串摩擦组合成式防护器仅仅只是成了防护身体的ZnO电容而采取相应的属于权宜办法 ,它使防护的平衡性与平衡性有很大的走低 ,这些 ,并就不是过工作电压防护器的进步导向 。 无缝隙过压电流呵护器在对电气产品伟德BETVlCTOR1946官方网站机器设备的呵护功能层面 ,功能优越的于串缝隙成分的呵护器 ,而对弱绝缘带伟德BETVlCTOR1946官方网站机器设备的呵护 ,其用途相对比较免强 。 难题的缓解是可以确保该变ZnO功率电阻的配方内容、纠正其电气开关性能指标等方向关注 。分级分类爱护的组和式爱护器留下了无缝隙节构的优越性 ,同一 ,较低了ZnO的残压比 ,升高了爱护裕度 ,够确保爱护的推进改革性、耐用性与安全保障性的全部统一 。